过刊目录

  • 全选
    |
    封面,目录,封底
  • 封面,目录,封底
    桂林理工大学学报
    2023, 43(3): 0-0.
    PDF全文 ( )   可视化   收藏
  • 地球科学
  • 地球科学
    刘兴源, 曹 杰, 李赛赛, 张洪瑞, 吴江波, 辛良伟, 王秋宇, 王建强
    2023, 43(3): 351-363.
    PDF全文 ( )   可视化   收藏

    为理清江南造山带西段新元古代构造背景, 对桂北清明山花岗岩岩相学、 锆石U-Pb 年代学及Hf 同位素特征、 全岩主微量元素地球化学等进行了研究。LA-ICP-MS 锆石U-Pb 定年结果表明, 清明山花岗岩成岩年龄为823. 8±1. 8 Ma。岩体为富钾酸性岩浆岩, 呈现出强过铝质, 轻重稀土弱-中等分馏, 中等负Eu 异常,富集Rb、 Th、 U、 Pb 等, 亏损Ba、 Nb、 Sr、 Ti 等特征, 为S 型花岗岩。花岗岩锆石εHf(t)值为-5. 8~-2. 6, 对应二阶段模式年龄(TDM2)为1 863~2 060 Ma, 指示其主要由古元古代陆壳物质部分熔融形成。根据桂北新元古代清明山花岗岩地球化学特征及区域研究资料, 判断其为后碰撞构造环境的产物。

  • 地球科学
    张 鹏, 刘珊珊, 兰 君, 李衣鑫, 邢 楠, 杨云涛, 刘敬杰, 刘袁坤, 康志强, 杨 锋
    2023, 43(3): 364-377.
    PDF全文 ( )   可视化   收藏

    山东省微山县郗山稀土矿床位于鲁西隆起区的西南部, 属硬岩型超大型轻稀土矿床。前人研究发现稀土成矿与郗山碱性杂岩体关系密切, 岩体成因、 侵位时间以及矿床形成时代仍是需要关注的科学问题。本文对郗山碱性杂岩体进行了岩石学、 年代学、 主微量元素及同位素地球化学研究, 岩体中石英正长岩的锆石U-Pb 年龄为119. 9±0. 9 Ma, 辉钼矿Re-Os 同位素年龄为120. 0±1. 8 Ma, 表明成岩成矿均为早白垩世岩浆作用产物。郗山碱性杂岩体具有富碱、 贫镁的特征, 为碱性岩系列; 稀土元素总量较高, 整体呈轻稀土强烈富集右倾模式; 微量元素以富集Ba、 Th、 U 和Nd, 亏损Nb、 Ta、 Zr 和Hf 为特征; 全岩(87Sr/ 86Sr)i 值为0. 706 36~0. 711 68, εNd(t)值为-8. 82~-9. 70, 锆石εHf(t)值为-6. 75~-12. 22, 显示其岩浆源区具有EMⅠ富集地幔特征。综上, 郗山稀土矿成岩成矿作用可能形成于伸展型构造背景, 与早白垩世华北克拉通岩石圈破坏与减薄导致的富集地幔上涌关系密切。

  • 地球科学
    邹 静, 孟德磊, 唐 炜, 魏 锦, 陈 祺, 欧阳永棚, 蒋起保, 邹其峰
    2023, 43(3): 378-387.
    PDF全文 ( )   可视化   收藏

    蒙山岩体东侧矿化蚀变带是钦-杭成矿带江西段新发现的铜多金属矿化蚀变带。将该蚀变带的区域地质特征、 矿化蚀变、 地球物理和地球化学异常等与世界著名的钨铜矿床———朱溪钨铜多金属矿进行综合对比发现, 二者在控矿层位、 控矿构造和成岩成矿时代等方面十分相似。此外, 蒙山岩体东侧的浅表矿化蚀变、物化探异常特征及岩脉分布情况表明, 其深部可能存在隐伏岩体。结合岩体与碳酸盐岩接触带、 层间破碎带和断裂破碎带接触部位地质特征推测, 花岗质岩浆侵入至碳酸盐岩中发生接触交代形成矽卡岩型矿床。蒙山岩体东侧岩体与碳酸盐岩接触带、 层间破碎带和断裂破碎带接触部位具有铜多金属矿良好找矿潜力。

  • 地球科学
    何丽佳, 刘俊伯, 阮青锋, 阮 琳, 李 新, 雷 霆
    2023, 43(3): 388-396.
    PDF全文 ( )   可视化   收藏

    利用光学显微镜、 电子探针、 激光拉曼光谱仪、 X 射线衍射仪、 冷热台等仪器, 对产自内蒙古黄岗梁水晶中的包裹体成因进行了研究。样品有绿色和烟色两种类型, 晶体生长环带明显, 核部较洁净, 只有零星分布的气液两相包裹体, 其中绿色水晶外层环带杂乱分布大量针状铁阳起石包裹体, 烟色水晶的中、外层环带中可见大量富含CO2 和N2 的气液两相包裹体。绿色水晶从核部→中间环带→外层环带的均一温度分别为300、 330 和260 ℃, 盐度w(NaCleq)在0. 18%~5. 71%; 烟色水晶从核部→中外层环带的均一温度分别为260 和350 ℃, 盐度为18. 22%~23. 18%。黄岗梁水晶的形成环境复杂, 具有多期活动性, 包裹体温度和盐度的变化表明烟色水晶结晶早于绿色水晶。烟色水晶生长初期处于稳定的中温热液条件, 热液的侵入和少量大气降水的混入导致成矿流体温度升高并发生不混溶作用, 富含CO2、 N2 的流体被正在生长的水晶捕获并包裹在其中。绿色水晶早期处于较稳定的高温热液环境, 后期大气降水的加入导致流体的温度降低, 针状铁阳起石混杂在流体中, 并被后期生长的水晶包裹, 形成子矿物包裹体。

  • 地球科学
    刘 振, 杜利明, 梅贞华, 韩进国, 胡创业
    2023, 43(3): 397-405.
    PDF全文 ( )   可视化   收藏

    招平断裂是胶东地区重要的金矿控矿断裂, 附近已查明大、 中、 小型金矿床多处, 控制的金资源量近2 000 t。地质资料显示, 招平断裂主要发育于栖霞序列片麻岩与玲珑序列花岗岩接触带附近的破碎蚀变带。近年来, 随着勘查深度的不断增加, 发现断裂深部产状与浅部不同, 其空间赋存规律有待进一步研究和验证。为此, 在区内典型的大尹格庄和焦格庄矿床深部开展可控源音频大地电磁测量, 利用反演电阻率参数建立表征断裂带深部侧伏规律的三维物性结构模型。模型显示电阻率变化梯级带对应的招平断裂带,呈舒缓波状向下延深, 推断其深度超过2 500 m, 且深部变缓并向北东侧伏。结合断裂控矿特征和先验地质信息, 在断裂产状变化部位预测了2 处深部找矿靶区, 并得到钻孔证实。本文提出的招平断裂侧伏规律的地球物理证据, 提高了对断裂带的认识, 对断裂带深部找矿预测及工作部署具有一定的指导意义; 同时, 本次工作证明利用CSAMT 方法探测断裂带深部金矿控矿构造是可行的。

  • 地球科学
    吴卫忠, 邓 忠, 陈余道, 卢丹美, 陈 盟, 夏 源, 邹志坤, 陆仁骞
    2023, 43(3): 406-413.
    PDF全文 ( )   可视化   收藏

    广西盘龙铅锌矿是一个岩溶大水量矿山, 因毗邻珠江流域黔江河段, 随着不断向深部开拓, 坑道突水防治成为首要安全事务。根据该矿2010—2021 年涌水量时间序列, 运用统计学方法和重标极差法(R/S 分析)对时间序列变化特征进行分析, 并利用自回归移动平均模型(ARIMA)开展涌水量预测。结果表明:盘龙铅锌矿涌水量序列总体上呈现右偏长尾、 尖峰-平峰态和非平稳特征; 年内序列Hurst 指数为0. 780 1~0. 994 9, 年内变化具有季节性特点; 年际序列Hurst 指数为0. 700 5, 具有相对较弱的长程依赖性, 与矿山开采深度加大和黔江蓄水影响有关。基于2010—2019 年涌水量时间序列, 用ARIMA 模型预测2020 年-120m 标高上段和下段的矿坑涌水量分别为4 323. 7 和6 274. 0 m3 / h, 与实测值误差分别为2. 49%和3. 14%。

  • 土木工程与测绘科学
  • 土木工程与测绘科学
    孔祥武, 韩 玉, 胡美韵, 晏班夫
    2023, 43(3): 414-423.
    PDF全文 ( )   可视化   收藏

    针对传统钢板组合梁墩顶负弯矩区混凝土顶板易开裂的问题, 提出了一种预制钢-UHPC 轻型组合梁结构, 设计了适用于该组合梁墩顶负弯矩区的横向接缝构造, 通过强配筋及现浇UHPC 材料的方式提高负弯矩区阶梯状T 型湿接缝的抗弯、 抗裂性能。以云南昌保高速公路某跨线桥为依托工程, 对组合梁墩顶负弯矩区进行1∶2缩尺模型抗弯加载试验, 分析了加载全过程的荷载-挠度曲线、 荷载-应变曲线及截面应变分布、 裂缝开展、 破坏形态等, 结果表明: 横梁上部UHPC 湿接缝的设置协同横梁构造有效提升了墩顶负弯矩区的抗裂性能; 由于新旧UHPC 界面钢纤维不连续, 使得负弯矩区现浇UHPC 与预制梁UHPC 桥面板结合处成为结构受力最薄弱位置, 组合梁抗弯承载力也由该处截面控制, 提出了与横梁接缝结构破坏模式相对应的接缝截面塑性抗弯承载力计算方法, 抗弯承载力理论计算值与试验值基本相符。

  • 土木工程与测绘科学
    邱 辰, 谢肖礼, 覃 霞, 杨创捷
    2023, 43(3): 424-429.
    PDF全文 ( )   可视化   收藏

    基于力学平衡原理、 数学推导以及有限元验证等方法, 提出了一种新的拱轴线, 以降低拱圈内力和应力。先利用拱桥对称原理取半拱隔离体, 对任意截面建立弯矩平衡积分方程, 将拱轴线方程表示为级数函数, 令弯矩平衡积分方程在若干等分点上弯矩为零求得拱轴线初始方程; 再引入材料力学挠曲方程,代入弯矩平衡积分方程并建立新型拱轴线的迭代式, 并以初始状态拱轴线为迭代初值求得最终拱轴线方程; 最后采用有限元方法验证了新型拱轴线理论的正确性, 并与常用的悬链线拱轴线进行对比, 结果显示内力及应力状态相比所选取的悬链线拱轴线均有较大改善, 应用本文方法直接对无铰拱拱轴线进行求解过程简单方便。

  • 土木工程与测绘科学
    张剑钊, 杨 猛, 周 东
    2023, 43(3): 430-435.
    PDF全文 ( )   可视化   收藏

    以北部湾吹沙型填海场地为背景, 通过浸泡-加载联动试验和有限元计算方法研究了外界条件差异对北部湾吹填场地卓越周期的影响。结果表明: 在远场长周期地震动作用下, 北部湾吹填场地反应最为强烈, 其加速度反应谱峰值放大了近两倍, 卓越周期向长周期方向偏移且相对偏移量最小, 产生共振危害几率增大; 输入地震动幅值增大, 吹填场地对其短周期高频部分抑制效应和长周期低频部分放大作用变强,场地卓越周期向长周期方向演化的趋势增加; 随着堆载预压加固荷载增大, 场地地表中心动力响应减弱,卓越周期呈减小的趋势, 预压处理达到一定程度后, 场地由Ⅳ类场地变为Ⅲ类场地。

  • 土木工程与测绘科学
    吴龙梁, 王 威, 钟 勇, 任振洋, 汪 洋, 郭 栋
    2023, 43(3): 436-441.
    PDF全文 ( )   可视化   收藏

    为研究软土地层深基坑开挖对下卧地铁隧道的影响规律, 针对某桥梁承台深基坑工程开展下卧地铁隧道在基坑施工期间的变形监测, 通过分析隧道累计沉降和水平位移监测数据, 研究不同施工工况对地铁隧道位移和变形的影响规律。结果表明: 桩基施工引起隧道下沉, 基坑开挖引起隧道上浮; 隧道变形以0°~180°方向横向变形为主, 埋深越浅隧道截面变形越大; 最大累计沉降量和水平位移均发生在基坑开挖范围, 距离基坑底越近位移越大; 软土地区基坑开挖将对下卧隧道产生较大影响, 依托工程采取预先加固、超前支护和分层分段开挖的施工方法, 能够有效控制下卧隧道的位移和变形。

  • 土木工程与测绘科学
    任 超, 张胜国, 李现广, 王子彦, 闫志恒
    2023, 43(3): 442-449.
    PDF全文 ( )   可视化   收藏

    针对目前对影像中高斯噪声与椒盐噪声的去噪算法普遍存在去噪效果不佳、去噪后影像边缘模糊的问题, 提出了一种新的遥感影像组合滤波去噪方法。 该方法在DnCNN 算法的基础上增加了一层自适应中值滤波, 利用自适应中值滤波对椒盐噪声去噪效果好的特点去除影像中残留的噪声, 为了在去噪过程中更好地保护影像细节、 边缘等信息, 在自适应中值滤波过程中采用噪点及其最近邻域像素点中值替换原滤波窗口中值, 提升细节信息保护能力, 同时对影像进行边界扩展, 确保原影像边界像素点自适应参与滤波处理, 提高影像边缘去噪效果, 使去噪后影像更加清晰。为验证算法的可行性, 分别进行了仿真和真实遥感影像去噪实验, 并用主观视觉和客观评价指标进行对比分析。结果表明, 本文方法对于遥感影像混合噪去噪效果优于传统去噪方法, 能够较好地保留图像边缘及纹理细节。

  • 土木工程与测绘科学
    凌聪聪, 廖超明, 康传利, 周聪林, 杨翼飞, 张振宇
    2023, 43(3): 450-457.
    PDF全文 ( )   可视化   收藏

    为探究澳大利亚板块GPS 站时间序列的噪声特性与板块构造运动, 选取IGS14 框架下澳大利亚板块内19 个GPS 站2010—2020 年坐标时间序列数据进行分析。采用主成分分析方法剔除坐标时间序列的共模误差, 利用谱指数估计和最大似然估计法对滤波前后的时间序列进行噪声分析。结果表明: 空间滤波能有效降低N、 E 向的白噪声、 闪烁噪声, 同时还原出3 个方向中被掩盖的随机游走噪声, 因而应考虑对该区域进行空间滤波; 该区域GPS 站坐标时间序列最优噪声模型为WN+FN+RWN, 如仅考虑白噪声影响所计算得到的速度估值, 其不确定性将会被低估; 澳大利亚板块现今水平运动优势方向为北北东方向, 平均速率约为65. 1 mm/ a, 水平速率由北西向东南方向逐渐减小; 垂直运动处于缓慢下沉趋势, 平均速率约为-0. 95mm/ a, 且东、 南方向相对西、 北方向下沉更快。

  • 土木工程与测绘科学
    陈诚诚, 刘传立
    2023, 43(3): 458-467.
    PDF全文 ( )   可视化   收藏

    基于自编码器处理的江西省2005—2020 年的夜间灯光数据, 实现了人为热排放在较长时间序列的空间化模拟, 并分析了江西省人为热排放的时空变化特征, 最后对空间化的人为热排放数据与夜间地表温度进行相关性分析, 结果表明: 人为热排放呈现显著的增加趋势, 人为热排放的面积在不断扩张, 16 年间人为热排放重心不断向江西省东南方向移动; 有26. 27%的区域的夜间地表温度处于升温趋势; 冬季的夜间地表温度增长最明显, 升温区域的面积最大, 增长趋势最高; 人为热排放强度和夜间地表温度有着显著的正相关, 在年内表现为热排放量高的区域夜间地表温度明显较高; 年际变化上表现为, 在热排放区域夜间地表温度的变化趋势和热排放的变化趋势主要为显著正相关。

  • 土木工程与测绘科学
    徐 瑞, 何光熊, 李 婕, 史亮涛, 方海东, 史正涛
    2023, 43(3): 468-477.
    PDF全文 ( )   可视化   收藏

    利用能完整获取的2006—2015 年《云南统计年鉴》和清华大学的GAIA 数据分析了全省不透水表面时空扩张特征, 采用地理探测器探讨了影响不透水表面扩张的驱动因子。结果表明: 1)在空间上, 全省16 个地州市不透水表面虽然都经历了前所未有的扩张, 但是存在地域差异、 扩张不均衡等问题, 其中昆明市、 曲靖市、 红河州和玉溪市扩张较强烈; 2)在时间上, 全省不透水表面呈现持续加速扩张状态; 3)影响全省不透水表面扩张的主要因子是第二产业、 第三产业、 公路里程, 且不同因子之间的交互作用对不透水表面的扩张均有增强作用。

  • 环境科学与工程
  • 环境科学与工程
    白少元, 黄英才, 李雨桓, 张 琴, 王 梅
    2023, 43(3): 478-484.
    PDF全文 ( )   可视化   收藏

    分析了抗病毒药物的大量使用、 药物残余物与代谢物滞留于环境水体的污染现状。从药物的代谢、 环境中的转化及其在污水处理中的去除效果等方面论述了抗病毒药物对生态环境的潜在风险, 对比了膜生物反应器、 活性污泥法、 氯化消毒、 臭氧氧化及稳定池等工艺单一处理或联合处理系统对抗病毒药物的去除效果、 去除原理及适用性等方面的研究进展, 并提出对于抗病毒药物这一新污染物在水处理中的预防措施及应对策略。

  • 环境科学与工程
    孙晓杰, 谭知涵, 田雨欣, 张木喜, 王亚搏, 潘 琦, 朱红祥
    2023, 43(3): 485-491.
    PDF全文 ( )   可视化   收藏

    针对目前有机固体废物堆肥产品存在着农民施用意愿低、 市场萎缩的困境, 分析了堆肥产品失去市场的主要原因, 最终可归结为: ①生产生活方式的变化, 导致农民放弃堆肥传统; ②堆肥施用的费效比高, 导致农民放弃施用堆肥; ③有机固体废物堆肥存在安全性和质量问题。从发展种养结合的农业模式和规模化经营模式、 制定堆肥安全分类标准及开辟堆肥利用新途径、 开发和推广更先进和经济的堆肥化技术等方面提出了推广施用堆肥的建议, 旨在为解决堆肥产品的出路问题提供思路。

  • 环境科学与工程
    韦小妹, 黄 芬, 陆来谋, 代俊峰, 曹建华, 张春来
    2023, 43(3): 492-500.
    PDF全文 ( )   可视化   收藏

    以广西马山县北部岩溶区表层土壤为研究对象, 分析区内土壤Cu、 Ni 含量水平以及不同成土母质和土地利用方式下土壤的Cu、 Ni 分布特征。结果表明: 表层土壤Cu、 Ni 背景值分别为36. 59、 38. 82 mg/ kg,有48. 17%和35. 96%的样点超过Cu、 Ni 背景值, Cu、 Ni 含量的最佳拟合半变异函数均为球状模型, 都具有中等程度的空间自相关性。不同土地利用方式下, 土壤Cu 含量的大小关系为草地>灌木林地>旱地>有林地>水田>果园, Ni 含量: 灌木林地>草地>旱地>果园>水田>有林地。成土母质对土壤Cu、 Ni 含量的影响显著, 碳酸盐岩发育的土壤中Cu、 Ni 的含量显著高于碎屑岩和冲积物。区内存在局部性Cu、 Ni 高值区, Cu 高值区主要位于人类活动单一的西部以及人类活动密集多样的东部和西北部, 分布较分散; Ni 高值区主要位于西部和东部, 分布相对集中。Cu 含量的空间异质性由地质因素和人为因素共同决定, 而Ni 的空间异质性基本来源于地质因素。部分样品Cu、 Ni 含量较高, 地质因素是主要原因, 在制定工农业指导规划时, 应充分考虑成土母质和土地利用对重金属元素富集的影响。

  • 自动化与信息科学
  • 自动化与信息科学
    曾彦欣, 钟献词, 刘 芳
    2023, 43(3): 501-506.
    PDF全文 ( )   可视化   收藏

    需水预测是进行有效水资源规划的重要基础, 结合确定和不确定方法对玉林市2030 年的农业需水量进行区间预测。基于定额法、 趋势分析法、 BP 神经网络、 ARIMA 模型和灰色预测模型, 随机生成数据推求正态分布以及置信区间, 确定玉林市规划水平年的需水量, 计算得出玉林市2030 年农业需水量的95%置信区间为17. 84 亿~18. 37 亿 m3。将本文方法与已有组合方法需水量预测结果进行比较, 结果表明本文方法具有可行性及优越性, 为玉林市进一步的水资源配置研究提供了可信的农业需水量区间。

  • 自动化与信息科学
    陆绮荣, 梁雅雯, 丁 昕
    2023, 43(3): 507-514.
    PDF全文 ( )   可视化   收藏

    针对人工评估城镇排水管道缺陷的准确性和实效性有一定局限, 综合运用模糊层次分析法和专家决策法进行自动评估, 模糊层次分析法通过构造多级模型, 减少了评估的运算量, 避免了层次分析法中人的主观性对评价结果的影响; 专家决策法充分体现了技术规程与专家意见的结合, 使结果更加准确。用层次分析法将各评价因素分为4 层评价体系, 并计算指标权重; 用模糊综合评价方法逐层计算评价矩阵, 最后根据最大隶属度原则对管道缺陷等级进行定量评价并将结果与人工评价结果对比。选取桂林市某道路地下污水管道作为研究对象, 对管道状态进行总体性评价, 实验结果与城镇排水管道检测公司出具的健康评估报告结果一致。

  • 自动化与信息科学
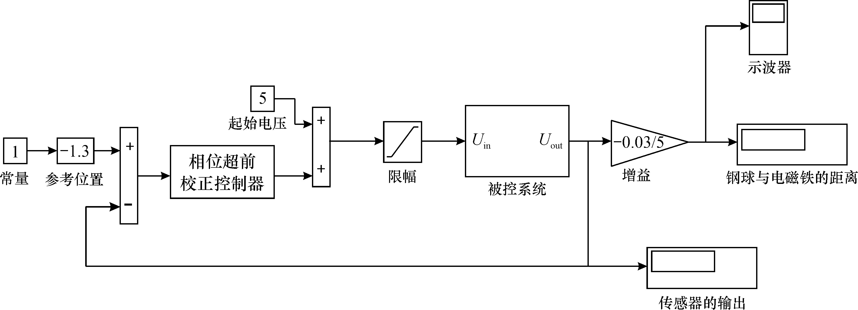
    蓝昕雨, 钟志贤, 李先瑄, 陈金华
    2023, 43(3): 515-519.
    PDF全文 ( )   可视化   收藏

    针对磁悬浮系统的时滞问题, 根据磁悬浮球系统的物理参数建立了单自由度磁悬浮系统的数学模型, 分析了磁悬浮球系统的时滞特性, 参考规定的相位裕度设计了一种磁悬浮球系统的相位超前校正控制器, 采用Matlab/ Simulink 对相位超前校正控制器与Smith-PID 控制器进行了仿真分析, 并在磁悬浮球系统实验台上进行了悬浮实验。结果表明, 与Smith-PID 控制器相比, 所设计的磁悬浮系统相位超前校正控制器具有较好的稳态性能与较小的波动范围, 能很好地解决磁悬浮系统的时滞问题。

  • 旅游资源开发
  • 旅游资源开发
    胡金龙, 滕耀宝, 郑文俊, 田梦瑶
    2023, 43(3): 520-526.
    PDF全文 ( )   可视化   收藏

    以湘桂黔219 个国家级侗族传统村落为研究对象, 利用ArcGIS 空间分析技术, 结合最邻近点指数、 核密度估计、 地理探测器等方法, 探究湘桂黔侗族聚居区传统村落的空间分布特征及其影响因素。结果表明: 侗族传统村落在研究区内呈凝聚型分布, 分布不均衡, 在县域上边缘化分布明显。侗族人民具有丰富的生态智慧, 村落的营建能够依山就势, 顺应地形地貌, 规避不利地理条件, 有靠近河流聚集, 沿道路网络布局的特性。侗族传统村落分布受自然环境与社会经济等多重因素的共同作用, 影响侗族传统村落空间分布的驱动力由大到小依次为: 公路密度、 海拔、 河网密度、 地均GDP、 年均气温、 人口密度、 年均降雨量、 坡向、 坡度。两因素交互分析均呈增强作用, 公路密度与河网密度交互结果对侗族传统村落分布的驱动力最大。

  • 旅游资源开发
    孙 嘉, 任晓琛, 胡保玲
    2023, 43(3): 527-534.
    PDF全文 ( )   可视化   收藏

    通过熵值法建立江苏省旅游主体吸引物和旅游流的指标体系, 利用耦合协调度对旅游主体吸引物和旅游流进行耦合水平分析, 并从空间地理方面探究耦合程度的空间分布特征。结果显示: (1)旅游主体吸引物方面: 盐城发生了较为明显的增长, 而其他城市没有显著的变化, 盐城、 苏州、 徐州保持着总量较大的旅游主体吸引物态势; (2)旅游流方面: 各城市没有出现突变情况, 占前三位的分别是苏州、 南京和无锡; (3)耦合关系方面: 苏州耦合协调度较好, 同时从2015—2019 年江苏省的耦合协调度分区可以看出, 尽管北部地区的耦合协调度要低于南部城市, 但随时间推移, 北部地区耦合协调度逐步追赶南部。